ТЭН
К поломке нагревателя приводит жёсткая вода, вследствие чего образуется накипь. На ТЭНе из-за постоянного нагрева она превращается в камень и повреждает поверхность. Отметим, что в регионах где мягкая вода, например, в Санкт-Петербурге и окрестностях нагреватели практически не выходят из строя. В Москве — жёсткая вода, и такая поломка злободневна.

Снятие ТЭНа
Для того чтобы продлить период эксплуатации, используйте средства для защиты от накипи: «Калгон», профессиональные преобразователи, или народные — в виде лимонной кислоты.
Неисправность проявляется двояко:
ТЭН перегорает;
происходит утечка на корпус.
В обоих случаях диагностика проводится мультиметром. Для того чтобы получить доступ к контактам необходимо снять переднюю панель. Последовательность действий по разборке смотрим здесь. Отцепляем провода. Ставим тестер на проверку сопротивления.
Сначала исследуем контакты, на которые приходит напряжение. Если между ними бесконечность, то необходима замена. Затем ставим максимальный предел.
Мнение эксперта
Работаю в сфере ремонта бытовой техники. Большой опыт в восстановлении стиральных и посудомоечных машин.
Задать вопрос
Важно! Достоверные результаты можно получить, если мультиметр измеряет до 40 МОм. Смотрим сопротивление между землёй и каждым контактом
Если будет значение отличное от нуля, то нагреватель подлежит замене. Эксплуатация с утечкой тока приведёт к неправильной работе и поломке модуля управления
Смотрим сопротивление между землёй и каждым контактом. Если будет значение отличное от нуля, то нагреватель подлежит замене. Эксплуатация с утечкой тока приведёт к неправильной работе и поломке модуля управления.
Как поступить, если стиралка Indesit на гарантии?
Если стиральная машинка Индезит выдает ошибку, указывающую на поломку платы управления, можно попытаться перезагрузить технику. Возможно, просто случился сбой в работе из-за перепада напряжения.
Для этого поступают следующим образом:
- поворачивают ручку программатора в нейтральное положение;
- нажимают и удерживают кнопку «Старт/Пауза» в течение 5 секунд;
- оставляют машинку выключенной на 15 минут;
- пытаются снова запустить ее в работу.
Если никаких изменений не произошло, необходимо обращаться в сервисный центр, занимающийся гарантийным обслуживанием приобретенной бытовой техники. С собой необходимо взять гарантийный талон, подтверждающий право на бесплатное обслуживание. В сервисе должны выполнить экспертизу, определить причину поломки и устранить ее.
Если с момента покупки прошло не более 15 дней, то покупатель вправе требовать вернуть деньги или заменить машинку на аналогичную. Однако если техника была приобретена через Интернет, это срок сокращается до одной недели.
Гарантийный срок работы стиральной машины Индезит составляет 1 год. Чтобы иметь возможность получать сервисное обслуживание, перед покупкой нужно убедиться, что в талоне проставлены все печати.
Иногда происходит так, что в городе нет официального сервисного центра. В этом случае со сломанной машинкой нужно отправиться в магазин. Продавец обязан забрать технику на экспертизу. Взамен покупателю выдается акт приемки с печатями, с датой и подписью ответственного лица.
Если магазин отказывается принять товар, то необходимо обращаться в суд.
Принцип работы и признаки поломки модуля управления
Чем обильнее функционал стиралки, тем сложнее устроена электронная плата. Эта деталь отвечает за работу всех узлов, расположенных в корпусе машинки. Отдельные симисторы с помощью проводки отправляют сигналы для начала работы таким узлам:
- нагревателю (ТЭНу);
- термистору;
- насосу;
- УБЛ (устройству блокировки люка);
- электромагнитному клапану;
- датчику Холла;
- электродвигателю;
- реле уровня.

Как видите, вся работа техники зависит от исправности платы. Любая поломка, которая случается в течение эксплуатации, может быть связана либо с конкретной деталью, либо с электросхемой. Точно определить, нужно ли проводить ремонт «мозгов» стиральных машин, может только диагностика. Предположить неисправность можно по косвенным признакам:
- Экран СМА выдает код ошибки либо мигают индикаторы. Расшифровка указывает на блок управления стиралки.
- В машине не активируются установленные программы.
- Техника не включается.
- Вода постоянно заливается и сливается.
- Нерегулированные обороты двигателя.
- Вода перегревается либо остается холодной.
Все эти признаки неоднозначны. Поэтому тестировать приходится как сам узел, так и электронику. Чаще всего модуль ломается по таким причинам:
- Заводской брак (редкий случай). Проявляется довольно быстро, поэтому проблема решается гарантийным ремонтом или заменой.
- Скачки напряжения в сети. Приводят к перегоранию дорожек и отдельных частей.
- Влага. Контакты с влагой заканчиваются окислением поверхности платы.
- Резкое отключение питания СМ во время работы. Также приводит к перепаду напряжения.
Как проверить и отремонтировать плату управления стиральной машины?
Самостоятельно причину неисправности определить сложно. Почему же пользователи не спешат обратиться в мастерскую? Их логика понятна. Есть несколько факторов, которые влияют на выбор самостоятельного осмотра:
- Снять и отнести блок в ремонт — еще полдела. Диагностику бесплатно никто проводить не будет. А если окажется, что с деталью все в порядке? Выходит, деньги потрачены зря.
- Боязнь попасть к непрофессионалу. Деньги за проверку он возьмет, а вот исключить вероятность его халтуры вы не сможете. В итоге поломка есть, а решения — нет.
Что же делать? Если вы хотите самостоятельно проверить «мозги» для СМА, мы подскажем как.
Визуальный осмотр. Для этого нужно снять деталь и осмотреть ее на момент подгаров, повреждений, окислений. Как снять плату стиральной машины:
- Отключите стиралку от сети.
- Перекройте подачу воды.
- Снимите верхнюю крышку, открутив саморезы сзади.
- Вытащите дозатор для порошка, прижав центральную защелку.
- Открутите винты по периметру панели управления. Приподнимите вверх и снимите.
- Сфотографируйте разъемы и проводку. Отключите фишки.

Отстегните защелку, уберите крышку блока.
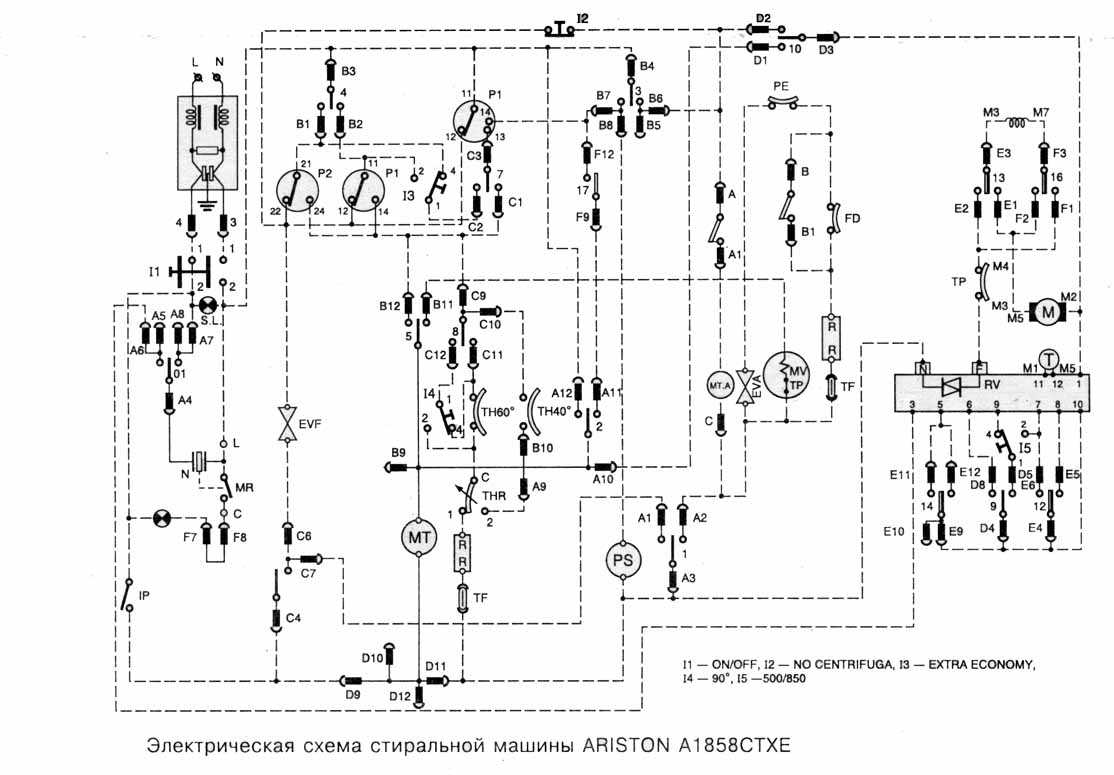
Сгореть может что угодно: резисторы, тиристоры, резонатор, реле или процессор. Точно определить поломку поможет мультиметр. Вам пригодится схема платы управления СМА:

Конденсаторы. Они служат в качестве стабилизирующих устройств при перепаде напряжения. Внешнее вздутие элемента уже указывает на поломку. Приложите к нему щуп мультиметра.
- Тестер запищал или показывает 0 на дисплее — случилось короткое замыкание (КЗ).
- На экране показался 1 — обрыв.

При неисправности проводится замена на исправную деталь. Закрепляется она с помощью паяльника и припоя к положительному электроду.
Резистор. Элементы делятся на первый и второй порядок. Сначала тестируются резисторы первого порядка. Их сопротивление в исправном состоянии — 8 Ом. Второго порядка — 10 Ом. Сломанные изделия подлежат замене.

Варистор служит для поглощения всплесков напряжения в сети. Его подгоревшая поверхность указывает на неполадку. Деталь можно снять с платы, она будет нормально работать. Но при скачке гореть будут другие составляющие. Проверка мультиметром на максимальном сопротивлении:
- Приложите щуп к варистору.
- В этом случае значения гораздо выше, чем может показать тестер (1).

Смотрите видео по теме:
Далее проводится последовательная диагностика всех составляющих. Пример показан на фото:

Ремонт блока управления своими руками — задача, невыполнимая для начинающего мастера. Поэтому рекомендуем обратиться в проверенный сервисный центр, желательно специализирующийся на ремонте именно вашей марки СМА. Там вам дадут гарантию на проведенные работы. Удачи!
Итак, если у вас произошел сбой в электронике стиральной машины, нужно понять из-за чего это случилось
Ну что же, вот что случилось с электроникой моей стиралки:
- Мне нужно было отремонтировать стиральную машину Indesit WD105T 2001 года! Когда я запустил программу стирки, машина начала работать, загружая воду.
- Но сразу после этого начинала спускать воду, и ручка программирования начала вращаться, и светодиод начал мигать без остановки.
Советы и рекомендации если произошел сбой в электронике стиральной машины:
- Перед разбором любого электрооборудования обязательно отключите его от основного источника питания.
- бедитесь, что вы работаете в соответствии с правилами безопасности, чтобы избежать любой электрической аварии
- Внутри всех электрических машин, питаемых от основного источника переменного тока, есть конденсаторы, которые поддерживают высокий заряд напряжения после отсоединения машины от основного источника питания.
- Будьте осторожны при идентификации этих конденсаторов и убедитесь, что они безопасно разряжены перед началом любой вашей работы.
Разбор стиральной машины и диагностические тесты
После вскрытия стиралки, сверху и сзади, я протестировал все электромеханические компоненты, чтобы проверить в каком они состоянии.
Стиральная машина имеет разные виды компонентов:
- электромагнитный клапан
- резисторы отопление
- двигатели
- резистивные температурные сенсоры
- реле давления и т.д.
Вы можете проверить все эти компоненты, просто измерив сопротивление между клеммами, используя функцию омметра от мультиметра.
В моем случае все компоненты показались хорошими.
Проверка электронной платы
Ремонт электроники стиральной машины подразумевает разбор и проверку электронного блока управления, в частности речь идет о печатной плате.
Сразу замечу, что две дорожки на печатной плате где-то расплавились. Хорошо! Я нашел проблему! Плохо! Что-то сгорело ![]()
Затем я следовал по дорожкам и наблюдал за компонентами на схеме и нашел ” черный компонент ” (тип пакета TO-92), который был треснут.
Зазор между этими двумя дорожками был недостаточным и с влажностью. А поскольку пропайка этой печатной платы была плохого качества, всплеск тока вызвал короткое замыкание на слабом месте.
Всплеск заставил два трека расплавиться и проводился очень большой ток, который заставляет все вокруг нагреваться очень быстро!
Обычно компонент, инкапсулированный на корпусе TO-92, является транзистором, но в этом случае после пристального взгляда на другие подобные компоненты на плате я нашел это: Z0607
Протестировать резистор легко. Вам нужно только использовать функцию омметра вашего мультиметра.
Ремонт самой электронной платы если возник сбой в электронике стиральной машины
Мне очень повезло и не придется тратить ни копейки на ремонт
Схема, которая сгорела, была выходным сигналом.
И, по-видимому, мне нужно было только заменить взрывающийся симистор. Но я понял, что эта плата имела 6 подобных выходных цепей, и одна из них не использовалась.
Это была чистая удача, так как я видел, что на разъеме отсутствовали некоторые провода. Одна цепь выхода не была использована на этой модели машины!
Я распаял одну перемычку и подключил следующую, чтобы использовать выходную симисторную схему, которая не была использована. После этого я подключаю провода к разъему стиральной машины.
И это все! Я опрыскал точки пайки изолирующим лаком. Подключил все, скрестил пальцы и включил машину, и она действительно заработала!
Вот так происходил ремонт электроники стиральных машин, если случился сбой в электронике стиральной машины. И я не потратил ни копейки. ![]()
Сбой в электронике стиральной машины – что делать
Если гарантийный срок истек
Если срок гарантии истек, то плату придется ремонтировать за свой счет. При наличии знаний в области электроники или при несложной поломке, работы можно выполнить своими силами. Решение глобальных задач лучше доверить специалисту.
Как разобрать бытовой прибор?
Для оценки состояния платы, ее нужно осмотреть. Чтобы добраться до нее, выполняют следующие действия:
- демонтируют верхнюю крышку прибора — она фиксируется двумя болтами, которые выкручивают отверткой;
- плата располагается слева в углу, если стоять сзади машинки, лицом к ней;
- хотя модуль виден, для получения доступа, необходимо снять заднюю и фронтальную стенку прибора вместе с люком;
- когда все преграды будут устранены, от детали отсоединяют провода и аккуратно извлекают ее.
Обращаться с модулем нужно осторожно, чтобы случайно не повредить его. Специалисты рекомендуют уложить машинку набок, так добраться до нужной детали будет удобнее
Снятие и диагностика электронного блока
Так как к модулю идет множество проводов, отсоединять их нужно по порядку. Чтобы впоследствии не перепутать клеммы, лучше снимать весь процесс на фото или видео. Это особенно актуально для мастеров с небольшим опытом работы.
Диагностика начинается с осмотра. Иногда дефект удается визуализировать без специальных приспособлений, например, несложно обнаружить вздутый конденсатор, нарушенную пайку или выгоревшую дорожку. По возможности следует найти схему модуля ремонтируемой модели и держать ее перед глазами.
Как отремонтировать?
Своими силами можно справиться с такими неполадками, как:
- Перепайка конденсаторов. Именно они страдают при перепадах напряжения в первую очередь. Если элемент выходит из строя, он вздувается. Для уточнения данных, можно прозвонить его мультиметром, после чего заменить.
- Резисторы первого и второго порядка. Резисторы 1 порядка должны иметь сопротивление в 8 Ом – 2А, а 2 порядка в 10 Ом – 5 А. Если есть отклонения, элементы меняют.
- Тиристорный коммутатор. Его выводят из строя скачки напряжения.
- Триггер. В норме, его сопротивление составляет 20 Ом.
Указанные элементы подлежат замене. Кроме того, можно очистить дорожки и снять нагар. Иногда этого бывает достаточно для нормализации работы модуля.
Прошивка палаты – сложная работа, справиться с которой можно при наличии специальных знаний и оборудования. Для перепрограммирования потребуется специальный адаптер-программатор, а также оригинальное обеспечение Candy.
Ремонт электронного модуля стиральной машины Candy, видео-инструкция:
Как поменять деталь?
Если модуль управления не подлежит ремонту, то его придется заменить. Стоимость детали составляет около 8000 рублей. Приобрести его можно в специализированных магазинах, либо на сайтах.
Замена платы осуществляется очень быстро. Достаточно подсоединить клеммы и установить ее на прежнее место. Затем машинку собирают в обратном порядке. После ремонта следует проверить работоспособность прибора, запустив короткий цикл стирки.
Почему на стиральной машине мигают все лампочки
В зависимости от причин поломки, система самодиагностики стиральной машинки может по-разному показывать неисправность. В различных марках машин, таких как «Индезит», «Аристон», «Бош» или «Самсунг», поломка может отобразиться миганием двух индикаторов или индикатора полоскания.
Так же может постоянно мигать красная лампочка замка. Причины неисправности нужно искать в таблицах расшифровок.
Прежде чем обратиться в сервисный центр, определите значение кода неисправности и попытайтесь самостоятельно ее устранить.
Мигают все индикаторы, стиральная машина не включается
Если стиральная машина не работает, горят красные лампочки или загорелись индикаторы всех кнопок, скорее всего, причина в неисправности платы управления. Чаще всего в результате скачка напряжения перегорают конденсаторы электронной платы. Поэтому, если вы владеете паяльником, заменить их можно самостоятельно.
Еще одной причиной того, что машина не включается, является светящийся индикатор замка с улыбкой. Проверьте, возможно вы включили защиту от детей, поэтому остальные кнопки на панели не работают.
Когда загораются или мигают определенные лампочки, например, индикатор кнопки сервиса в машинах LG, «Горение», Candy, «Электролюкс», проблема может быть в неисправности деталей СМА:
- Поломка ТЭНа сушки или нагрева воды.
- Проблемы с насосом.
- Неисправность электронного двигателя.
- Неполадки с командоаппаратом.
Нужно установить точную причину поломки, и устранить ее – своими руками или при помощи мастера.
Причины выхода модуля из строя
Существует множество факторов, влияющих на долговечность модуля управления стиральной машины. Некоторые из них ведут к поломкам, которые легко исправить, для устранения других не обойтись без вызова специалиста.
Заводской брак
Достаточно редкая проблема, особенно у именитых производителей. Брак может выражаться в чем угодно, в плохой пайке деталей, пробитой дорожке на плате, некачественных радиодеталях. В подавляющем большинстве случаев брак «всплывает» в самые первые недели эксплуатации. Решение проблемы – вернуть устройство по гарантии.
Несоответствие параметров питающего напряжения
Скачки напряжения в сети достаточно частое явление. Сильный всплеск может повлечь за собой выход из строя любого электронного прибора, в том числе и платы модуля управления. Чаще всего сервисные мастерские не считают данный случай гарантийным, потому проще заранее обезопасить себя от подобной неприятности, подключая машину через стабилизатор напряжения.
Отказ одного или нескольких датчиков
Собственно, эта неисправность не относится к плате управления стиральной машиной. Для исправления данной проблемы достаточно выявить сбойный датчик и заменить его.
Замыкание, вызванное попаданием воды в модуль
Работа стиральной машины невозможна без воды, а вода не лучший спутник электричества. Попадание даже небольшого количества влаги на плату может стать причиной выхода ее из строя. Большинство производителей стараются обезопасить покупателя от подобной неприятности, блоки герметично закрывают, устанавливают защиту от случайного замыкания. Но от этого никто не застрахован. Вода может попасть в модуль после ремонта или в процессе транспортировки машины.
Помимо вышеперечисленного, причиной некачественной работы модуля может стать нагар, образовавшийся на соединительных контактах или их загрязнение. Также немало неприятностей могут доставить грызуны, у которых хватило сообразительности проникнуть внутрь устройства. В любом случае начинать проверку стоит с того, что осмотреть плату модуля управления, очистить ее от грязи, промыть контакты, убедиться в сохранности проводки.
Проверка модуля управления
Даже самая дорогая и качественная стиральная машина может сломаться. Любой агрегат может выйти из строя, в том числе и блок управления. Если машина перестала нормально работать, первым делом нужно определить причину, понять, какой именно блок вышел из строя.
Выход из строя платы модуля управления может сопровождаться самыми различными симптомами.
- В процессе выполнения программы индикаторы машины зависают. Панель управления не реагирует на действия пользователя. На дисплее не отображается никаких сообщений об ошибке.
- Лампочки панели управления хаотично мигают. Не представляется возможным включить ни одну программу.
- Удается выбрать и запустить программу стирки, но устройство не набирает воду или набирает и одновременно сливает ее. При этом на действия пользователя реакции также не наблюдается, помогает только «перезагрузка».
- Запустив программу стирки, машина не переключает режимы работы и в случае отсутствия реакции пользователя может стирать часами, не пытаясь слить воду.
- Сразу после включения устройство самопроизвольно отключается.
- Индикация сообщает о нормальном процессе стирки, создается видимость переключения режимов, но ничего не происходит, машина не набирает воду, не работает двигатель.
- Самопроизвольное изменение скорости и направления вращения двигателя. Характер его работы изменяется вне зависимости от программы, частный случай – двигатель вращается без остановок и в одну сторону.
Еще одним свидетельством в пользу неисправности платы управления стиральной машины является несоответствие температуры воды параметрам выбранной программы. Тэн либо слишком перегревает ее, либо попросту не включается.
Об устройстве платы управления
«Если мотор — сердце стиральной машины, то плата — её мозг», – так говорят специалисты по ремонту стиральных машин. И действительно, даже из названия «модуль управления», следует, что этот узел чем-то управляет. И не просто чем-то, а работой всей стиральной машины.
В стиральных машинах-автомат существует два основных типа плат управления – программатор (также его называют командоаппарат или КСМА) и электронный модуль управления.
Коммандоаппарат
Программатор в классическом варианте состоит из синхромотора, редуктора, программных дисков с кулачками и галет с рычагами-толкателями и исполнительными контактами. Синхромотор через редуктор передаёт вращение дискам, кулачки которых взаимодействуют с рычагами-толкателями на галете и переключают исполнительные контакты. Таким механическим образом включаются и выключаются все узлы стиралки: двигатель, ТЭН, заливной клапан, сливной насос и т.д., поэтому стиральные машины с программатором также называют машинками с электромеханическим типом управления. Программные диски с кулачками подразделяются на «быстрые» и «медленные». «Быстрые», как раз отвечают за включение-выключение исполнительных узлов СМ, а «медленные» – за переключение режимов стирки.
Электронный блок
Представляет собой микросхему с процессором и памятью, в которую заложена микропрограмма с алгоритмом работы стиральной машины. Иногда процессор и память объединены в одном чипе. Замыкание-размыкание контактов исполнительных узлов выполняют электронные компоненты (реле, симистор и другие радиодетали) по сигналу процессора, поэтому такую технику называют стиральными машинами с электронным управлением.
Почти все современные автоматические стиральные машины выпускаются с электронным модулем. Электромеханический тип управления — это прошлое поколение. Сейчас он используется, в основном, только в полуавтоматах. Тем не менее, у клиентов мы часто сталкиваемся с «возрастными» машинами с программатором и умеем их ремонтировать.
Особенности ремонта стиральных машин с вертикальной загрузкой
Ремонт вертикальной стиральной машины очень трудоемкий, сопряжен с определенными трудностями из-за скученности элементов. Чтоб добраться до сломанной детали, придется разобрать полмашины.
Некоторые виды поломок характерны только для машин с вертикальной загрузкой и требуют знаний профессионала. Это, например, самопроизвольное открытие створок барабана при разбалансировке, что влечет за собой остановку барабана и разрыв приводного ремня.
Самостоятельно возможна замена верхней крышки, которая подвержена коррозии, прочистка фильтров и смена прокладок в местах подключения. Остальные виды машин с вертикальной загрузкой лучше доверить мастеру.
-
Брусья своими руками — пошаговый мастер-класс изготовления спортивного снаряда в домашних условиях (110 фото)
- Лампа своими руками — 130 фото оригинальный и стильных идей как изготовить самодельную лампу из подручных средств
-
Котел своими руками — основные типы котлов и особенности их изготовления. 75 фото и видео инструкция для начинающих
Как происходит ремонт – общий порядок работ
Специалист «РемБытТех» приезжает на вызов:
- в день обращения, если вы позвонили в наш сервисный центр до 11-12 часов дня;
- на следующий – если обратились позже;
- в другой день, на который вы назначили ремонт.
На дому при вас мастер разбирает стиральную машину и проверяет, действительно ли неисправен блок управления. В процессе диагностики специалист выясняет, можно ли отремонтировать неисправную плату на дому, придётся ли вывозить её в мастерскую или модуль вообще не подлежит ремонту и требуется замена.
Если ремонт возможен на дому
Специалист перепаивает неисправные элементы блока управления и проверяет, что модуль заработал. После этого осуществляется сборка стиральной машины. Весь ремонт занимается от 40 до 90 минут.
Если модуль подлежит ремонту только в мастерской
При сложных поломках специалист забирает плату в сервис, где ей «занимается» специальный мастер-электронщик, который уже 20 лет ремонтирует только электронные модули управления и программаторы. Через 1-2 дня исправный блок приезжает к вам обратно, мастер собирает стиралку, и вы вновь наслаждаетесь стиркой.
В обоих случаях после проверки работы стиральной машины мастер выписывает чек с гарантийными обязательствами.
Как отремонтировать?
Если срок гарантии стиральной машинки Индезит истек, ремонтом платы управления придется заниматься за свой счет. Это тонкая работа, выполнить которую самостоятельно удастся лишь при условии, что у человека имеются знания в сфере электроники.
Как разобрать прибор?
В современных машинках Индезит с вертикальной загрузкой модуль управления располагается в верхней части, под панелью. Чтобы добраться до него, потребуется демонтировать крышку. Сделать это несложно. Достаточно открутить болты, расположенные на задней стенке прибора.
У машинок с горизонтальной загрузкой плата располагается в левом нижнем углу, если смотреть на нее сзади. Чтобы добраться до нее, придется открутить не только заднюю и верхнюю стенку, но и снять люк, который крепится на 6 саморезах.
Удобнее всего добираться до платы, если аккуратно уложить прибор набок (на ту сторону, с которой расположен лоток для порошка). Только после этого удастся отсоединить все провода и извлечь плату.
Перед началом работы машинку нужно обесточить и перекрыть клапан подачи воды. Только после этого можно приступать к демонтажу. Как снять крышку, подскажет эта статья.
Как снять и провести диагностику блока?
Прежде чем снять плату, нужно сфотографировать способ ее соединения с различными проводами. Это делается для того, чтобы в процессе обратной сборки не допустить ошибку.
Определить, в каком именно месте располагается дефект, сложно, если только элементы не подверглись выгоранию. Иногда нарушается пайка диодов и иных мелких элементов.
Для диагностики и ремонта потребуются следующие инструменты и приспособления:
- мультиметр;
- паяльник;
- олово;
- канифоль;
- припой.
Хорошо, если под рукой будет схема блока управления конкретной модели стиральной машинки Индезит.
Ремонтные работы
Самостоятельно можно отремонтировать следующие элементы:
- Конденсаторы. Он отвечают за стабилизацию напряжения. На то, что какой-то из них вышел из строя, будет указывать его вздутие.
Если все конденсаторы имеют нормальные размеры, необходимо прозвонить их мультиметром (1 – произошел обрыв, 0 – короткое замыкание). При обнаружении вышедшего из строя элемента, его меняют.
- Резисторы. Различают резисторы с сопротивлением 8Ом и до 2А (первый порядок) и с сопротивлением 10 Ом и 5 А (второй порядок). Если при диагностике будет обнаружено, что эти данные не соответствуют необходимым значениями, резисторы меняют.
- Тиристорный коммутатор. Чаще всего он ломается при резком перепаде напряжения. К его диагностике приступают только после проверки всех конденсаторов. Сначала прозванивают диоды первого порядка (в норме напряжение не должно превышать 20 Вт). На фильтре напряжение не должно превышать 12 вольт.
- Триггер. Его напряжение должно составлять около 12 Вт, а сопротивление – около 20 Ом.
- Прошивка платы. Для выполнения работы потребуется адаптер-программатор, с помощью которого удастся получить доступ к программному обеспечению модуля. Стоит профессиональный программатор около 3000 рублей, более простая версия обойдется в 500 рублей. Также потребуется фирменный софт Индезит и драйвера. Их можно найти на официальном сайте производителя (радел «ПО»).
О ремонте электронного блока управления расскажет видео:
Замена
Если отремонтировать деталь невозможно, то придется ее заменить. Цена на нее стартует от 7500 рублей. Иногда мастера предлагают приобрести модуль управления б/у по сниженной цене. Однако совершая такую покупку, нужно понимать риски.
Деталь, проработавшая несколько лет в другом приборе, может выйти из строя в любой момент. Вернуть ее по гарантии не удастся.
Новые платы продаются в обычных и онлайн магазинах. Приобретать нужно деталь, которая соответствует модели стиральной машины. Когда новая плата будет куплена, ее нужно установить. Делается это по схеме демонтажа старой детали, но в обратном порядке. На этом этапе ремонта могут пригодиться фотографии, сделанные в процессе разбора стиральной машины.
После того, как плата будет установлена на место, а машинка собрана, проверяют ее работоспособность. Для этого прибор включают в сеть и запускают 15-минутный цикл стирки вхолостую. Если техника выполняет все команды, ремонт можно считать успешно завершенным.
Цены на ремонт кондиционеров
Ремонт запчастей
| Ремонт заднего контура кондиционера | от 1200 руб. |
| Ремонт плат управления кондиционеров | от 500 руб. |
Мелкий ремонт
| Выезд мастера, диагностика | 990 руб. |
| Разборка и сборка внутреннего блока | 950 руб. |
| Чистка фильтра | 500 руб. |
| Чистка дренажной системы | 500 руб. |
| Демонтаж трасс, м. | 300 руб. |
| Демонтаж короба, м. | 300 руб. |
| Демонтаж кабеля, м. | 30 руб. |
| Демонтаж внутреннего блока (до 7 кВт.) | 1,500 руб. |
| Раштрабливание трассы | 750 руб. |
| Устанение залома трассы | 750 руб. |
| Опресовка трассы | 1200 руб. |
| Продувка азотом (1-й трассы) | 700 руб. |
| Вальцовка (соединение) 2 трубы | 600 руб. |
Средний ремонт
| Разборка и сборка наружного блока | 1450 руб. |
| Ремонт дренажной системы | 980 руб. |
| Замена дренажного насоса №1 | 1800 руб. |
| Замена дренажного насоса №2 | 1800 руб. |
| Чистка конденсатора (внешний блок) | 1300 руб. |
| Чистка испарителя (внутренний блок) антибактериальным составом | 1500 руб. |
| Чистка лопастей вентилятора внутреннего блока | 1400 руб. |
| Устранение утечки хладагента, вальцовка. (При стандартном расположении кондиционера) | 2130 руб. |
| Профилактические работы | 2 000 руб. |
| Ремонт контура прохождения хладагента (устранение утечки) | 1200 руб. |
Крупный ремонт
| Чистка конденсатора (внешний блок) моечной машиной (Karcher) | 3500 руб. |
| Дозаправка хладагентом кондиционеров до 9 кВт. / 14 кВт. | от 2000 руб. до 4500 руб. |
| Заправка хладагентом кондиционеров до 9 кВт. / 14 кВт. | от 2500 руб. до 6500 руб. |
| Демонтаж кондиционера до 9 кВт (с трассой до 5 м.) | 3500 руб. |
| Демонтаж кондиционера с выше 9 кВт (с трассой до 5 м.) | от 5000 руб. |
| Демонтаж наружного блока (до 7 кВт.) | 3500 руб. |
| Демонтаж внутреннего блока (до 9 кВт.) | 1800 руб. |
| Демонтаж наружного блока (до 9 кВт.) | 2500 руб. |
| Демонтаж внутреннего блока (до 14 кВт.) | 2400 руб. |
| Демонтаж наружного блока (до 14 кВт.) | 3600 руб. |
| Монтаж внутреннего блока (до 7 кВт.) | 2400 руб. |
| Монтаж наружного блока (до 7 кВт.) | 4000 руб. |
| Монтаж внутреннего блока (до 9 кВт.) | 2700 руб. |
| Монтаж наружного блока (до 9 кВт.) | 3600 руб. |
| Монтаж внутреннего блока (до 14 кВт.) | 3000 руб. |
| Монтаж наружного блока (до 14 кВт.) | 4250 руб. |
| Замена компрессора до 7 кВт. | 5000 руб. |
| Замена компрессора до 14кВт. | 6500 руб. |


















































