Устройство простого сетевого фильтра
СФ бывают двух видов:
Встроенные
Компактные платы СФ являются частью внутреннего устройства различного электронного оборудования. Ими оснащается компьютерная и другая сложная техника.
На фото видно устройство СФ. На плате установлены следующие детали:
Варистором называют резистор с переменным сопротивлением. При превышении нормативного порога напряжения (280 в) его сопротивление может уменьшиться в десятки раз. Варистор выполняет функцию защиты от импульсного перенапряжения.
Стационарные – многоканальные
Корпус прибора имеет несколько розеток. Благодаря этому, есть возможность подключить через фильтр всю имеющуюся электротехнику в одном помещении к одной розетке. Для очистки от радиопомех высокой частоты применяется простой LC-фильтр. Несгораемые термопредохранители предотвращают скачки напряжения. В некоторых моделях применяются одноразовые плавкие предохранители.
Принципиальная схема
На рис.2 приведена типовая схема сетевого фильтра питания. На ней показана трехпроводная (европейская) сеть питания: “фаза” — “ноль” (“нейтраль”) — “земля”. Сразу на входе фильтра стоит варис-тор VR1.
Его задача — подавить высоковольтные выбросы напряжения сети. При появлении такого выброса электрическое сопротивление варистора резко падает, и он замыкает через себя эту помеху, не позволяя ей пройти дальше. Следом включены дроссель Т1 и конденсаторы С1, С2, C3, образующие LC-фильтр.
Сопротивление дросселя возрастает с увеличением частоты тока, а конденсаторов падает, так что все высокочастотные помехи задерживаются или “стекают” в землю.
Помехи могут возникать не только между сетевыми проводами (“фазой” и “нейтралью”), их отфильтрует конденсатор С3, но и между “фазой” и “землей”, а также возможны помехи “нейтоаль» — “земля”. Для эффективного подавления таких помех служат конденсаторы С1 и С2.

Рис. 2. Типовая схема сетевого фильтра питания.
При отсутствии земли общая точка конденсаторов С1 и С2 “висит” в воздухе, что приводит к созданию ими и дросселем Т1 паразитного колебательного контура, который начинает излучать высокочастотное электромагнитное поле, становясь источником потенциальной опасности для расположенной рядом радиоаппаратуры.
![]()
Рис. 3. Схема сетевого фильтра без заземленных конденсаторов и связи с землей.
Поэтому в двухпроводной сети применяются фильтры без этих конденсаторов и связи с “землей” (рис.З). Типовая амплитудно-частотная характеристика (АЧХ) сетевого фильтра показана на рис.4. Из этого графикавидно, что чем выше частота помех, тем эффективнее они подавляются.

Рис. 4. График зависимости.
Стоит остановиться на одной особенности фильтров питания. Речь пойдет все о той же “земле”. Существует целый класс сетевых фильтров, у которых заземляющий провод не имеет никакой связи с внутренней схемой, кроме соответствующих контактов самих евророзеток и заземляющего контакта евровилки.
Этим достигается важное преимущество: при работе от сети с заземлением все розетки фильтра заземлены, как и положено. Но в случае отсутствия “земли” в сетевой розетке (типичный случай отечественной сети питания) все розетки фильтра объединены между собой по заземляющему контакту (естественно, сам фильтр при этом не заземлен)
Почему это важно?
Представим, например, схему подключения различной периферии к компьютеру, показанную на рис. 5а (типичный случай — подключены принтер, сканер, внешний звуковой усилитель И Т.П.).
Это — идеальная схема: все подключено к заземленной сети питания, потенциалы корпусов устройств одинаковы (равны нулю), поскольку соединены с “землей”. В случае возникновения пробоя или повреждения изоляции любого из устройств “лишнее” напряжение уйдет в землю.

Рис. 5. Схемы подключения различной периферии к компьютеру.
Теперь возьмем схему соединений для случая сети без заземления (рис.5б). Как видно, провод заземления отсутствует, и единственной связью корпусов устройств является слаботочный интерфейсный кабель (точнее, его экранирующая оплетка).
При разности потенциалов корпуса компьютера и внешнего устройства (а такое наблюдается сплошь и рядом!) уравнительные токи, текущие от большего потенциала к меньшему, могут легко “выжечь” входные и выходные порты соединенных устройств.
Таких случаев встречается множество. Самый распространенный — выгорание входа или выхода звуковой карты в случае подключения ее к внешнему источнику сигнала или к усилителю звука.
Для решения проблемы нужно подключить эти устройства к “европейскому” удлинителю, даже не соединенному (за неимением) с внешней “землей” (рис,5в). Здесь электрические потенциалы всех устройств выровнены, сквозные токи выберут себе более легкий путь через заземляющие контакты евророзеток, и ничего страшного не произойдет.
Промышленные и самодельные фильтры для трехпроводной системы питания
Среди серийно выпускаемых изделий имеются довольно полезные технические решения, на которые домашнему мастеру стоит обратить внимание
Краткий обзор полезных функций заводских моделей
Одной из популярных разработок, широко представленной в торговле, считается серия фильтров Pilot разных конструкций.

Принципиальная электрическая схема сетевого фильтра Пилот показана на картинке для облегчения понимания его возможностей.

Остановлюсь на задачах, которые призван решать Pilot XPro, специально созданный для комфортной работы, продления ресурса подключенных потребителей и снижения расхода электричества. Это:
- защита варисторами от импульсных перенапряжений;
- предотвращение действия высокочастотных помех индуктивно-емкостными сопротивлениями;
- управление электропитанием за счет введения функции Master Control;
- защита от перенапряжений, связанных с обрывом нуля;
- плавное отключение и включение оборудования под нагрузку функцией Zero Start за счет исключения бросков тока встроенной схемой;
- автоматика включения потребителей после устранения аварийного пропадания питания;
- два уровня защиты от токовых перегрузок или коротких замыканий за счет плавкого предохранителя и биметаллического расцепителя;
- индикация подключения к сети и уровня напряжения питания;
- контроль температуры и автоматическое отключение при перегреве.
Функция Master Control определяет одну розетку основной (как master-розетка). На нее подключают основной потребитель мощностью более 50ватт, например, системный блок компьютера.
При его включении автоматика одновременно запитывает три других розетки с периферийным оборудованием. Она же отключает их при снятии питания с основного блока.
На корпусе имеются розетки, не управляемые микропроцессорной автоматикой. Их используют для освещения, телефона, другого оборудования
Более подробные сведения об этом оборудовании можете узнать в коротком видеоролике владельца ZIS Company.
Как сделать своими руками
Проще всего изготовить пассивный фильтр низких частот. Это связано с тем, что он изготавливается при применении всего нескольких элементов. Среди особенностей проведения работы своими руками отметим следующее:
- Проводятся подробные расчеты. Повысить удобство можно путем применения специальных калькуляторов, с помощью которых проводится расчет параметров основных элементов изделия.
- Выбирается наиболее подходящая схема. Она предусматривает применение специального разделителя, который изготавливается в виде сумматора. Качественного звука в этом случае не достигнуть, но устройство прослужит долго.

Простой фильтр для 2-полосного усилителя собрать просто. Инструкция по проведению работы следующая:
- Подается сигнал на вход операционного усилителя.
- Подается сигнал на МС2.
- С выхода ФНЧ переводится сигнал на МС2.
- Блок стабилизации напряжения создается на основе резистора, конденсатора и стабилизатора.
- При напряжении питания менее 15В из схемы исключается резистор R11. На компонентах R1, R2, C1, C2 собирается сумматор входного сигнала. Этот элемент отключается в том случае, если подается моносигнал. Подключение источника сигнала проводится напрямую ко второму контакту.
- Конденсатор C7 предназначается для фильтрации выходного сигнала. Регулятор сигнала основан на R9, R10, C8.
- Для получения устройства потребуется печатная плата. Изготовить ее можно самостоятельно из стеклотекстиля, рекомендуемые размеры листа 2 на 4 см.
- Поверхность шлифуется до блеска, после чего обезжиривается. Распечатанный рисунок схемы переносится на поверхность.
- Выполняется травлене при применении специального состава. Лишняя медь растворяется, после чего поверхность промывается чистой водой.
Для соединения отдельных элементов проводится пайка. При правильной сборке схемы она должна заработать сразу, при этом дополнительная настройка не требуется. Если звука нет, то придется проверить надежность всех соединений. При работе есть вероятность повреждения основных элементов.
Активный фильтр
Большое широкое распространение получил активный фильтр сабвуфера. Подобная схема обладает следующими особенностями:
- Активный элемент не нагружает акустическую систему.
- Входной сигнал фильтруется. За счет этого есть возможность устранить шумы.
- При правильном подходе можно гибко настроить усилитель.
- Исходный спектр часто разделяется на несколько каналов. Схема активного фильтра позволяет выбрать низкие и средние, высокие частоты.

Изготовить самостоятельно активный фильтр можно, для этого не требуется специальное оборудование.
Пассивный фильтр
Пассивное устройство проще в изготовлении, но обладает менее привлекательными характеристиками. Его особенности заключаются в следующем:
- Предназначено для отсеивания низких частот в заданном диапазоне.
- Не усиливает сигнал.

В продаже встречается большое количество пассивных фильтров. Они могут прослужить в течение длительного периода и имеют относительно небольшие размеры.
Самодельный фильтр питания
Предлагаю вашему вниманию два очень простых, но надёжных способа о том, как сделать самому фильтр питания для автомагнитолы. Главным преимуществом представленных самодельных девайсов является их цена и простота изготовления, которая ни в коей мере не избавляет вас от личной ответственности за возможные последствия подключений самодельных фильтров питания.
Способ первый
Данная схема представляет собой четыре конденсатора и катушку:
Фильтр для автомагнитолы сделать самому
- Ёмкости конденсаторов взяты на 4700 и 1000 мкф (обязательно шунтируем их по 0,1 мкф);
- Катушка с индуктивностью в 100 микрогенри имеет обмотку на ферритовом кольце из эмальпровода с сечением в 0,9 .

Фильтр для автомагнитол
Преимуществом данной схемы является то, что в ней каждый элемент играет роль своеобразного фильтра: электролитические ёмкости сглаживают различные помехи и пульсации, а шунтирующие «кондеры» устраняют высокочастотные наводки.
Совет! Токопроводящие дорожки на «печатке» желательно залудить толстым слоем.

Фильтр питания автомагнитолы
Второй способ
Схема этого простого LC – фильтра также состоит из катушки с конденсаторами, правда с добавлением защиты от переполюсовки (диодом) и предохранителем.
Фильтр для питания автомагнитолы
Перед сборкой схемы нам необходимо изготовить дроссель, который состоять будет состоять так же из ферритового кольца и намотанной на него обмотки в виде 10…15 витков провода с сечением в 1…1,5 миллиметра (для удобства можно использовать три жилы провода с сечением в 0,5 миллиметров каждая).
Совет! Вместо ферритового кольца можно использовать кольцо из порошкового железа, которое применяется в компьютерных блоках питания (кольцо белого или желтого цвета).
Преимущество именно этой схемы состоит в том, что она работает с очень широким диапазоном номинальных значений включённых в неё компонентов. Ёмкость конденсаторов не критична и варьируется от 1000 до 4700 мкФ (чем больше, тем лучше), а также возможно использование электролитов с напряжениями от 16 до 100 Вольт (большее напряжение не имеет смысла). На этом инструкция о том, как фильтр для автомагнитолы сделать самому подошла к концу, надеюсь, она вам пригодится и по праву займёт свою нишу в вашей личной копилке полезных советов.
Выбор и приобретение оборудования
Заводской фильтр от радиопомех плохо справляется со своей задачей, поскольку не учитывает особенности конструкции каждой акустической системы. Владельцы автомобиля вынуждены приобретать несколько изделий, обладающих различными характеристиками. После поочередного тестирования в электрической цепи остается изделие, обеспечивающее минимальный уровень помех.

Возможна доработка заводской конструкции, которая заключается в замене электронных компонентов. Дополнительно устанавливается электролитический конденсатор на входе, который дополняется пленочным элементом, подсоединенным параллельно. Емкость конденсаторов составляет 100 мкФ и 10 нФ.
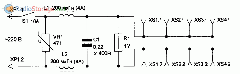
Самостоятельное изготовление сетевого фильтра
Сделать самый простой сетевой фильтр своими руками в домашних условиях радиолюбителю будет совсем не трудно. Для этого нужно встроить небольшую схему внутрь корпуса сетевого удлинителя с несколькими розетками. На нижнем рисунке показано, как это сделать.

Устанавливают СФ в удлинителе следующим образом:
- Вскрывают корпус сетевого удлинителя.
- В параллельные ветви после выключателя и варистора впаивают резисторы R1, R2 и дроссели (индуктивные катушки) L1, L2.
- Затем ветви поочерёдно замыкают через конденсатор С1 и один резистор R3.
- Установка концевого конденсатора С2 может быть сделана в любом месте между розетками.
Важно! Если внутри корпуса удлинителя не найдётся места для второго конденсатора С2, то можно обойтись без него. Достаточно скорректировать параметры С1
Дроссели применяются с незамкнутыми ферритовыми сердечниками индуктивностью от 10 мкГн. Конденсаторы подбираются в диапазоне 0,22-1 мкФ. Сопротивление резисторов коррелируют с планируемой мощностью потребителей. При нагрузке 500 Вт потребуются резисторы 0,22 Ом. Сопротивление R3 должно быть не меньше 500 кОм.
2 простые схемы для повторения своими руками в двухпроводной сети
Основное преимущество этих конструкций состоит в том, что они занимают мало места. Все компоненты можно встроить внутрь корпуса обычного заводского удлинителя.
Схема LC-фильтра
Вначале показываю схему попроще, обеспечивающую вполне приемлемые результаты.

Токовый ключ SC обеспечивает защиту подключенных потребителей от перегрузок и токов коротких замыканий.
Высокоомный резистор на 1 мегаом практически никак не влияет на прохождение сигналов. Его роль — разряд конденсатора C при выключении питания для повышения безопасной эксплуатации.
Схема RLC-фильтра
Предыдущую конструкцию можно доработать добавкой низкоомных резисторов и изменением характеристик электронных компонентов.

Номиналы конденсаторов показаны на схемах. Их изоляция обкладок должна выдерживать рабочее напряжение сети, увеличенное импульсом помехи. Подбирайте их минимум на 300 вольт, а лучше — больше.
Обе схемы гасят входящие высокочастотные помехи индуктивными сопротивлениями дросселей и емкостными — конденсаторов. Ликвидация высоковольтных импульсов возложена на варистор.
Подробности
Схема сетевого фильтра на 220 В
- Колебания высокой частоты, попадая на катушке индуктивности, увеличивают ее степень сопроивления и потому не пройдут далее (индукционное сопротивление соразмерно частоте).
- Попадания на контакты на конденсаторе будут гасить высокие частоты при правильном выборе емкости (сопротивление емкости при подобном методе подключения обратно соразмерно частоте токовых колебаний).

На двух схемах параллельно конденсатору будет подключен резистор с огромным сопротивлением. Он будет выполнять роль нагрузки для такого элемента, как конденсатор, при выключении питания (на конденсаторе может начать скапливаться свободный тип заряда, который является опасным даже после 100%-ого отключения фильтра от сетей переменного тока). Простейший сетевой фильтр можно сделать своими руками. Кстати, ферритный фильтр лучше всего покупать в виде разъемного по диаметру удлинительного кабеля. Его предназначение в работе схемы – это подавление помех высокой частоты по цепи электропитания за счет увеличения проводниковой индуктивности, а еще поглощения излучений непосредственно ферритом. Это прекрасное решение для того, что подключаться к сети электропитания домашней техники. Возможны и остальные осуществления сетевого электрофильтра. В роли примера можно приводить схемы, которые применяют в технике Пилот.
Предоставляем вам инструкцию по сборочному процессу обычного фильтра для сети собственноручно. Собрать фильтр из предложенных схем достаточно просто, и для этого не потребуется плат печатного типа или единочного корпуса на удлинителе. При хорошем выборе размером элементов и их компоновки можно вмещать их в корпусе недорогостоящего варисторного фильтра для сети. Цепь, которая есть в наличии, должна быть разрезана (контакты от варистора до розеток, а непосредственно варистор оставляют), а элементы будут размещены в соответствии со схемой и спаиваются. Должно все получиться как по схеме.
Конденсаторы С1 и С2 можно объединять в один, если есть нужные показатели и свободное место. Или же наоборот, набирать несколькими соединениями параллельного типа, если позволяет свободное место. Лучше всего применять пленочные емкости от 0.22 до 1 мкФ. Максимально допускаемое напряжение лучше брать с запасом (на случай помех с резкими изменениями напряжения), к примеру, до 680 В. Сопротивление R3 должно быть от 0.5 до 1.5 МОм. Мощность также лучше брать с запасом для лучшей тепловой отдачи 0.5 Вт. В схеме №3 поменяют катушки и конденсатор, и именно катушки обладают наиболее оптимальными показателями индуктивности при малых размерах и стоящих перед ними задачах. Получается, что для пайки вы будете использовать куда меньше деталей.
Меры предосторожности – что важно учесть
Изготовленный собственноручно сетевой фильтр с напряжением в 220 В является сложных техническим устройством. Его сборочный процесс невозможен без познаний в области электрической техники. Все работы должны быть выполнены с соблюдением всех мер по безопасности. В обратном случае есть вероятность поражения электрическим током. Как было написано ранее, конденсаторы были рассчитаны на высокий показатель напряжения.
Они способны накапливать остаточный заряд. Токовый удар будет возможным даже после полного фильтрового отключения от сети тока (переменного). По этой причине наличие параллельно подключенного сопротивления является обязательным.
Перед спаиванием требуется убедиться в том, что все элементы исправные (тестером важно замерять базовые параметры и сравнить с заявленным). Не следует допускать пересечение проводов, а тем более в местах потенциального нагревания (на оголенных контактах и резисторах)
Перед подключением в сеть обязательно важно убедиться (то есть «прозвонить» посредством тестера), если нет замыкания.
Модельный ряд сетевых фильтров Pilot
Ассортимент продукции отечественной компании ЗИС представлен несколькими сериями. Они обладают различными уровнями защиты и набором функций. Сетевые фильтры Pilot рассчитаны на потребителей с различной покупной способностью и отвечают любым требованиям стабилизации напряжения. Модельный ряд оборудования представлен следующими линейками:
- серия S;
- серия L;
- серия GL;
- серия Pro;
- серия Bit;
- серия T;
- серия Single.
Каждая линейка обладает определенным функционалом и степенью защиты.
Корпус из ударопрочного трудногорючего пластика
Серия S
Устройства этой модификации относятся к бюджетному классу и имеют базовый набор средств фильтрации. Конструкцией данной модели, предусмотрено следующие средства:
- Варистор. Предназначен для сглаживания помех импульсного характера. Они возникают при и пользовании инструмента и оборудования, работа которых связана с образованием искры: дрель, перфоратор и т. д.
- Термопредохранитель. Защищает устройство от перегрева при превышении допустимой мощности.
- Плавкий и термобиметаллические предохранители предотвращают возникновение короткого замыкания от перегрузки.
Сетевой фильтр имеет пять розеток типа «Евро» с контактами под заземление и одну для подключения вилок старого образца. Модели с обозначением Max отличаются от базовой модификации увеличенной мощностью до 3,5 кВт и силой тока 15 А.
Совет. Вся продукция компании ЗИС разрабатывается с учетом всех недостатков и параметров отечественных электрических сетей. Соответственно полностью адаптировано для работы в подобных условиях.
Серия L
Имеет все базовые средства защиты. Отличием является установка трех варисторов, фильтр для устранения высокочастотных помех емкостного типа. Световая индикация свидетельствует о текущем состоянии устройства. Корпус изготавливается из высокопрочного и тугоплавкого пластика. Розеточная группа располагается в один ряд.
Серия GL
Обладает средствами защиты, которыми оснащены модели серии S и L. Для стабилизации ВЧ-помех используется индуктивно-емкостной фильтр. Газоразрядный ограничитель осуществляет защиту от скачков во время грозовых разрядов. Розетки закрываются специальными накладками, для предотвращения поражения ребенка электрическим током.
Сетевой фильтр Pilot – защита за разумные деньги
Серия Pro
Сетевые фильтры этой серии относятся к премиум классу и обладают передовыми средствами защиты. Средства диагностики сети в автоматическом режиме определяют наличие и отсутствие контура заземления. Диагностика предназначена для установки и последующей стабилизации фазировки подключенной вилки. Контактная группа изготовлена из высокопрочной стали, которая обеспечивает надежный контакт соприкасающихся деталей. Одна из розеток выполнена по типу Gadget Parking, что позволяет подключение одной вилки с круглыми контактами или одновременно двух с плоскими. Излишки подключаемых шнуров укладываются в специальное крепление.
Серия Bit
Устройства линейки Bit имеют только одну розетку с контактами заземления, не имеют удлинительного шнура и устанавливаются непосредственно в розетку. Данная модификация обладает всеми средствами защиты от помех моделей серии L.
Серия T
Конструкция и степень защиты аналогичны серии Bit. Разница заключается в количестве розеток, в данной линейке их 4 шт., и двух USB-портов для подзарядки мобильных телефонов, смартфонов, MP3-плееров. Устройство рассчитано на подключаемую суммарную мощность в 3,3 кВт.
Серия Single
Данная модель оснащается одной розеткой с контактами заземления. Конфигурация и конструкция аналогичны серии Bit. Устройство оснащено средствами защиты от появления в сети 380 В. Во время превышения напряжением пиковых границ (повышение или понижение) подача электричества автоматически прекращается и возобновляется при стабилизации параметра.
Продукция компании ZIS отвечает все требованиям ГОСТ. Каждая серия имеет оптимальное соотношение цена/качество. За счет этого сетевые фильтры Pilot пользуются высоким спросом и популярностью среди потребителей.
Основные эксплуатационные характеристики фильтров, которые важно знать
Борьба с электромагнитными помехами из сети выполняется разными способами. Популярными являются экранизация и использование электронных компонентов.
Какой корпус эффективнее борется с помехами
Отличительной чертой качественных изделий является закрытый металлический экран, исключающий прохождение и наводку посторонних электромагнитных сигналов. Его подключают на контур заземления.

В советское время на нем указывали схему внутренних соединений и технические характеристики изделия.
Такой корпус может изготавливаться общим для всего устройства, как делается у микроволновки или системного блока компьютера.
Многочисленные современные модули, выпускаемые для фильтрации помех из бытовой сети, имеют обычный пластиковый кожух.

Они лишены возможности защиты от внешних наводок и посторонних излучений.
К тому же часто маркетологи называют обычные удлинители сетевым фильтром, что не совсем правильно. При этом используется их внешнее сходство.

Самостоятельное изготовление
Изготовить фильтр для магнитолы своими руками можно как по П-образной, так и по Т-образной и комбинированной схемам. В это устройство обязательно должны входить катушки индуктивности, играющие роль дросселей, и конденсаторы. Также для защиты от переполюсовки и гальванической развязки магнитолы от остальной бортовой сети можно включить диод, рассчитанный на 12 вольт и, как минимум, 10 А.

Чтобы изготовить фильтр электропитания автомобильной магнитолы, потребуются следующие детали:
- оксидные конденсаторы большой емкости;
- катушки индуктивности;
- печатная плата;
- жестяная или стальная коробка подходящих размеров;
- соединительные провода.
Перед самим фильтром впаивается диод. Провода, подсоединенные к аноду полупроводника и точке стыковки конденсатора и катушки, помечаются как входной и выходной соответственно. Конструкцию следует поместить в металлическую коробку. Она сыграет роль дополнительного электромагнитного экрана для защиты от шумов, вызванных искрением щеток и работой системы зажигания. Также к коробке нужно подпаять черный провод, соединяющийся с кузовом или минусовой клеммой аккумулятора.
Если используется готовый экранированный дроссель, то его корпус тоже нужно соединить с массой. При самостоятельном изготовлении катушки в ней должно быть не менее 12 витков провода с сечением от 0,9 до 1,5 мм. Для улучшения высокочастотной фильтрации параллельно оксидным конденсаторам включаются пленочные, емкостью 0,01 мкФ. Чем больше ток потребления автомобильного радио, тем толще должен быть провод в катушке, чтобы избежать ухудшения качества работы аудио устройства на большой громкости.
Детали устройства устанавливаются на печатной плате. Сборка самодельного сетевого фильтра для автомагнитолы своими руками осуществляется следующим образом:
- Один вывод катушки или конденсатора подсоединяется к плюсовому проводнику питания. Можно подключить к катоду диода.
- Противоположные концы деталей подключаются к общей точке, соединяемой с корпусом фильтра.
- Соединение радиодеталей друг с другом осуществляется с помощью отрезков медного толстого провода в изоляции с обратной стороны платы.
- К точке стыковки диода, катушки и конденсатора припаивается провод, подсоединяемый к входу питания автомагнитолы.
- Металлический корпус фиксируется на плате при помощи заранее отогнутых язычков.
- Все провода выводятся наружу через отверстия в плате или коробке.
Выбор между промышленным и самодельным вариантом
Готовый фильтр – тест
Для теста берется фильтр на магнитолу от помех промышленного назначения Epcos на 10А с нормальным классом помехоустойчивости «В». При этом данное изделие дало в конкретном случае теста не уменьшение, а увеличение фона помех.
Схема фильтра
Это можно объяснить двумя причинами:
- первая – оно не рассчитано на низковольтные сети (этот параметр нужно отследить при покупке);
- вторая – помехи дает «масса» автомобиля.
Самостоятельное изготовление
Собрать самостоятельно фильтр для магнитолы в автомобиль можно из следующих материалов:
- провод с сечением 1,5 мм2 – 1 м * 2 шт.;
- ферритовые кольца диаметром 45 мм – 2 шт.;
- пленочные конденсаторы 0.01uF – 2 шт.;
- электролитный конденсатор 4700uF.
Подобная комплектация перекрывает суммарные скачки напряжения питания до 25 В и выше, то есть этот выполненный фильтр для магнитолы своими руками полностью перекрывает возможные скачки в бортовой сети. Сделать его можно по инструкции без навыков.
Фильтр питания для автомагнитолы своими руками
Для изготовления потребуется намотать провода на ферритовые катушки. Обмотать дополнительно изолентой, чтобы намотка не расплеталась. Со стороны входа припаивается пленочный конденсатор, со стороны выходного – электролитный и пленочный. Далее конденсаторы потребуется распаять параллельно. Один выход идет на «плюс», другой – на «минус» магнитолы автомобиля.
К автомагнитоле в схему питания фильтрацию подключить можно аналогичным образом, как это описано выше. Как видно, сделать все можно самостоятельно с должным уровнем качества.
Автомобильный фильтр питания
Предложенный вариант хорош тем, что вы полностью контролируете качество инсталляции и изготовления изделия. Стоимость составляет около 100 рублей. Время, которое у вас займет эта манипуляция, не превышает 2 часов. В результате ваша автомагнитола станет не только помехоустойчивым устройством. Вы ее защитите от перепадов напряжения, которые возможны при подключении других девайсов и использовании входов не по назначению.
Например, использование прикуривателя может привести к выходу из строя медиасистемы. При рекомендованной цепи и высокой помехоустойчивости можно устанавливать в салон самую дорогую модель, не боясь выхода ее из строя.
Прикуриватель
Предлагаемая схема фильтрации может применяться не только в автомобильных системах, а в любых других устройствах в условиях подключения к некачественной системе энергоснабжения. Включение фильтрации напряжения в цепь поможет сохранить ваши предохранители.


















































